Features
Features
It can keep the vacuum level of the system in case of power failure when the vacuum line is closed
Small size, can be used in narrow space
Selection Guide ZVCM - M5F
① ②
| ① Series | ② Vacuum generator connection thread |
| ZVCM | M5F - M5×0.8 female thread |
| G1F - G1/8 female thread |
Technical parameters
| Model | Valve core works Effective cross-sectional area mm² | Fluid | Max. pressure range kPa | Removal efficiency μm | Weight g |
| ZVCM-M5F | 2 | Air | -100~0 | 40 | 6 |
| ZVCM-G1F | 5 | Air | -100~0 | 40 | 22 |
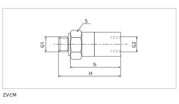
Dimensions 
| Model/Size | H | h | G1 | G2 | S |
| ZVCM-M5F | 20 | 16 | M5×0.8 | M5×0.8 | 8 |
| ZVCM-G1F | 28.5 | 23 | G1/8 | G1/8 | 13 |