Features
Features
The suction cup "floats" on the air cushion during the gripping
Low vacuum level, large vacuum flow
The vacuum was created based on the Bernoulli principle
No air goes through the workpiece
Selection Guide SNT 20 - S N
① ② ③ ④
| ① Series | ② Diameter | ③ Flow type | ④ Cushion material |
| SNT | 20 - φ20mm 60 - φ60mm | S - Standard flow | N - NBR |
| 30 - φ30mm 100 - φ100mm | PK - PEEK(Mark free) | ||
| 40 - φ40mm 120 - φ120mm |
Selection
| Model/Diameter | |||||
| 20 | 30 | 40 | 60 | 100 | 120 |
| SNT20-SN | SNT30-SN | SNT40-SN | SNT60-SN | SNT100-SN | SNT120-SN |
| SNT20-SPK | SNT30-SPK | SNT40-SPK | SNT60-SPK | SNT100-SPK | SNT120-SPK |
Technical parameters
Note: The tested workpiece is rigid and airtight, the air supply pressure range is 1.0 - 6.0bar, vertical action. The specified pull-out force does not include the safety factor
| Mode | Pull-out force N | Air supply pressure bar | Max. air consumption NL/min | Working temperature ℃ | Weight g | Recommended hose dia. mm |
| SNT20 | 2 | 5 | 80 | 0~60 | 9.5 | 6 |
| SNT30 | 4 | 5 | 100 | 0~60 | 32 | 8 |
| SNT40 | 6.5 | 5 | 130 | 0~60 | 51 | 8 |
| SNT60 | 13 | 5 | 200 | 0~60 | 116 | 8 |
| SNT100 | 46 | 5 | 350 | 0~60 | 252 | 8 |
| SNT120 | 89 | 5 | 420 | 0~60 | 365 | 8 |
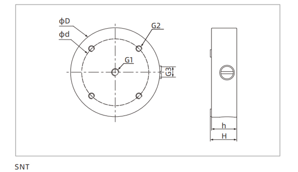
Dimensions 
| Model/Size | D | d | H | h | G1 | G2 | G3 |
| SNT20 | 20 | 15 | 12.8 | 12 | M5×0.8 | 4-M3×0.5depth5 | - |
| SNT30 | 32 | 22 | 17.8 | 17 | M5×0.8 | 4-M4×0.7depth6 | M5×0.8 |
| SNT40 | 40 | 32 | 17.8 | 17 | G1/8 | 4-M4×0.7depth6 | G1/8 |
| SNT60 | 60 | 45 | 17.8 | 17 | G1/8 | 4-M4×0.7depth6 | G1/8 |
| SNT100 | 100 | 75 | 17.8 | 17 | G1/8 | 4-M4×0.7depth6 | G1/8 |
| SNT120 | 120 | 105 | 17.8 | 17 | G1/8 | 4-M4×0.7depth6 | G1/8 |