Features
Features
Multihole adsorbing area, prevent the physical deformation of the fragile workpiece
Integrated with a suction cup and vacuum generator
Vertical exhaust and lateral exhaust for option
Vertical and horizontal mounting types for option
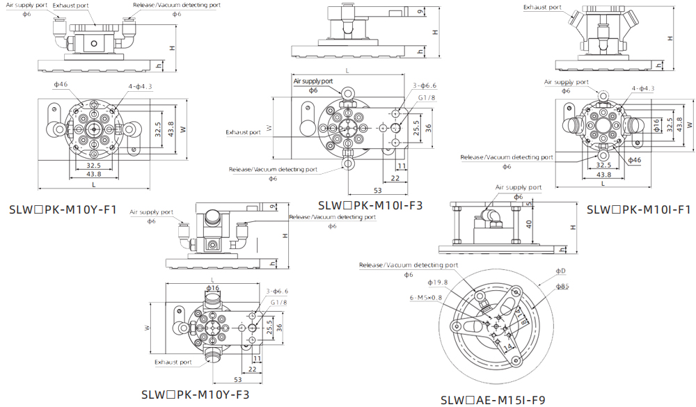
Selection Guide SLW 115 PK - M10 I - F1
① ② ③ ④ ⑤ ⑥
| ① Series | Dimension | ③ Material of suction cup | ④ Specification of vacuum generator | ⑤ Exhaust direction | ⑥ Mounting flange |
| SLW | 100 - 100×55mm | PK - PEEK | M10 - Diameter φ10mm | I - Vertical exhaust | F1 - Vertical,55×6mm |
| 115 - 115×115mm | AE - Aluminum plate+ | M15 - Diameter φ15mm | Y - Lateral exhaust | F3 - Horizontal,71×9mm | |
| 146 - 146×146mm | EPDM support cushion | F9 - Vertical, Triangular flange | |||
| 170 - 170×105mm | FT - Sponge+PTFE | ||||
| 120 - φ120mm | |||||
| 150 - φ150mm | |||||
| 180 - φ180mm |
Selection
| Model/ Specification of vacuum generator | |
| M10 | M15 |
| SLW100PK-M10I-F1 SLW100PK-M10Y-F1 | SLW120AE-M15I-F9 SLW120FT-M15I-F9 |
| SLW100PK-M10I-F3 SLW100PK-M10Y-F3 | - |
| SLW115PK-M10I-F1 SLW115PK-M10Y-F1 | SLW150AE-M15I-F9 SLW150FT-M15I-F9 |
| SLW115PK-M10I-F3 SLW115PK-M10Y-F3 | - |
| SLW146PK-M10I-F1 SLW146PK-M10Y-F1 | SLW180AE-M15I-F9 SLW180FT-M15I-F9 |
| SLW146PK-M10I-F3 SLW146PK-M10Y-F3 | - |
| SLW170PK-M10I-F1 SLW170PK-M10Y-F1 | - |
| SLW170PK-M10I-F3 SLW170PK-M10Y-F3 | - |
Technical parameters
| Mode | Air supply pressure range bar | Rated air supply pressure bar | Max. vacuum level -kPa | Max. vacuum flow NL/min | Air consumption NL/min | Working temperature ℃ |
| SLW115-M10 | 1.0~7.0 | 5 | 11 | 400~430 | 150 | 0~60 |
| SLW146-M10 | 1.0~7.0 | 5 | 11 | 410~440 | 150 | 0~60 |
| SLW100-M10 | 1.0~7.0 | 5 | 11 | 330~460 | 150 | 0~60 |
| SLW170-M10 | 1.0~7.0 | 5 | 11 | 350~490 | 150 | 0~60 |
| SLW120-M15 | 1.0~7.0 | 5 | 4.5 | 370~460 | 150 | 0~60 |
| SLW150-M15 | 1.0~7.0 | 5 | 4.5 | 370~460 | 160 | 0~60 |
| SLW180-M15 | 1.0~7.0 | 5 | 4.5 | 370~460 | 180 | 0~60 |
Specific Vacuum flow (NL/min) at different vacuum levels (-kPa)
| Model | Air supply pressure bar | Air consumption NL/min | 0 | 1.5 | 2.5 | 3.5 | 4.5 | 5.5 | 6.5 | 7.5 | 11 | Max. vacuum level -kPa |
| SLW115-M10 | 5 | 150 | 400 | 375 | 363 | 334 | 315 | 289 | 265 | 246 | 215 | 11 |
| SLW146-M10 | 5 | 150 | 410 | 386 | 370 | 330 | 324 | 296 | 374 | 258 | 234 | 11 |
| SLW100-M10 | 5 | 150 | 330 | 311 | 285 | 263 | 241 | 219 | 198 | 179 | 160 | 11 |
| SLW170-M10 | 5 | 150 | 350 | 330 | 310 | 280 | 263 | 238 | 219 | 200 | 180 | 11 |
| SLW120-M15 | 5 | 150 | 440 | 429 | 407 | 385 | 363 | 335 | 308 | 275 | - | 4.5 |
| SLW150-M15 | 5 | 160 | 440 | 429 | 407 | 385 | 363 | 335 | 308 | 275 | - | 4.5 |
| SLW180-M15 | 5 | 18 | 440 | 429 | 407 | 385 | 363 | 335 | 308 | 275 | - | 4.5 |
Dimensions