Features
Features
Internal large area support structure
Various sizes are available
Selection Guide SFF 50 N - G3F
① ② ③ ④
| ① Series | ② Diameter | ③ Material & Hardness | ④ Connection thread |
| SFF | 30 - φ30mm | N - NBR 60 | G2F - G1/4 female thread |
| 40 - φ40mm | NG - NBR 45 | G3F - G3/8 female thread | |
| 50 - φ50mm | G2M - G1/4 male thread | ||
| 60 - φ60mm | M10M - M10×1.5 male thread | ||
| 80 - φ80mm | M14M - M14×1.5 male thread | ||
| 100 - φ100mm | RA - Rectangular adapter | ||
| 125 - φ125mm |
Selection
| Model | Connection thread | |||||
| G2M | M10M | M14M | G2F | G3F | RA | |
| SFF30□-□ | SFF30□-G2M | SFF30□-M10M | SFF30□-M14M | SFF30□-G2F | SFF30□-G3F | SFF30□-RA |
| SFF40□-□ | SFF40□-G2M | SFF40□-M10M | SFF40□-M14M | SFF40□-G2F | SFF40□-G3F | SFF40□-RA |
| SFF50□-□ | SFF50□-G2M | SFF50□-M10M | SFF50□-M14M | SFF50□-G2F | SFF50□-G3F | SFF50□-RA |
| SFF60□-□ | SFF60□-G2M | SFF60□-M10M | SFF60□-M14M | SFF60□-G2F | SFF60□-G3F | SFF60□-RA |
| SFF80□-□ | SFF80□-G2M | SFF80□-M10M | SFF80□-M14M | SFF80□-G2F | SFF80□-G3F | SFF80□-RA |
| SFF100□-□ | SFF100□-G2M | SFF100□-M10M | SFF100□-M14M | SFF100□-G2F | SFF100□-G3F | SFF100□-RA |
| SFF125□-□ | SFF125□-G2M | SFF125□-M10M | SFF125□-M14M | SFF125□-G2F | SFF125□-G3F | SFF125□-RA |
Technical parameters
| Model | Vertical pull-out force N | Lateral pull-out force N | Lateral pull-out force Oily surface(N) | Inner volume cm³ | Min. curve radius of workpiece mm | Weight g | Recommended hose dia. mm | MPQ pcs |
| SFF30 | 45 | 35 | 33 | 1.6 | 35 | 11 | 6 | 1 |
| SFF40 | 72 | 54 | 51 | 3.5 | 47.5 | 13 | 6 | 1 |
| SFF50 | 112 | 90 | 86 | 7.5 | 70 | 20 | 8 | 1 |
| SFF60 | 145 | 102 | 93 | 12.6 | 81 | 26 | 8 | 1 |
| SFF80 | 288 | 212 | 190 | 35 | 115 | 43 | 8 | 1 |
| SFF100 | 445 | 322 | 308 | 60 | 141 | 57 | 8 | 1 |
| SFF125 | 660 | 475 | 400 | 115 | 165 | 145 | 10 | 1 |
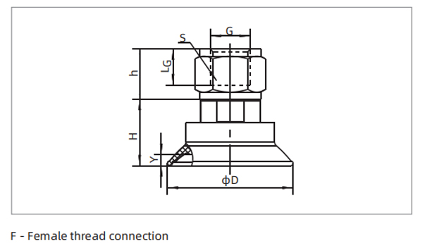
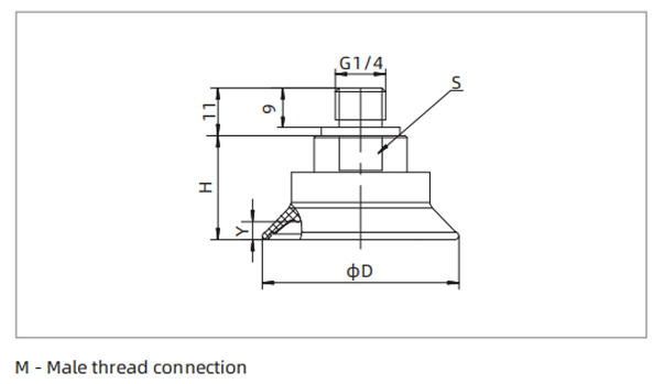
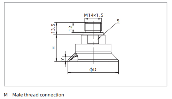
Dimensions 
| Model/Size | D | H | G | LG | S | Y |
| SFF30□-G2F | 32 | 19.5 | G1/4 | 11 | 17 | 2.7 |
| SFF40□-G2F | 42 | 22 | G1/4 | 11 | 17 | 3.4 |
| SFF50□-G3F | 52 | 28 | G3/8 | 13 | 22 | 4.7 |
| SFF60□-G3F | 62.5 | 31 | G3/8 | 13 | 22 | 6 |
| SFF80□-G3F | 83 | 34.5 | G3/8 | 13 | 22 | 6 |
| SFF100□-G3F | 102 | 36.5 | G3/8 | 13 | 22 | 9.2 |
| SFF125□-G3F | 128 | 43 | G3/8 | 13 | 22 | 12.5 |

| Model/Size | D | H | G | h | LG | S | Y |
| SFF30□-G3F | 32 | 19.5 | G3/8 | 14 | 11 | 22 | 2.7 |
| SFF40□-G3F | 42 | 22 | G3/8 | 14 | 11 | 22 | 3.4 |
| SFF50□-G2F | 52 | 28 | G1/4 | 14 | 11 | 22 | 4.7 |
| SFF60□-G2F | 62.5 | 31 | G1/4 | 14 | 11 | 22 | 6 |
| SFF80□-G2F | 83 | 34.5 | G1/4 | 14 | 11 | 22 | 6 |
| SFF100□-G2F | 102 | 36.5 | G1/4 | 14 | 11 | 22 | 9.2 |
| SFF125□-G2F | 128 | 43 | G1/4 | 14 | 11 | 22 | 12.5 |

| Model/Size | D | H | W | h | Y |
| SFF30□-RA | 32 | 19.5 | 31.8×31.8 | 4.7 | 2.7 |
| SFF40□-RA | 42 | 22 | 31.8×31.8 | 4.7 | 3.7 |
| SFF50□-RA | 52 | 28 | 31.8×31.8 | 4.7 | 4.7 |
| SFF60□-RA | 62.5 | 31 | 31.8×31.8 | 4.7 | 6 |
| SFF80□-RA | 83 | 34.5 | 31.8×31.8 | 4.7 | 6 |
| SFF100□-RA | 102 | 36.5 | 31.8×31.8 | 4.7 | 9.2 |
| SFF125□-RA | 128 | 43 | 31.8×31.8 | 4.7 | 12.5 |

| Model/Size | D | H | s | Y |
| SFF30□-G2M | 32 | 19.5 | 17 | 2.7 |
| SFF40□-G2M | 42 | 22 | 17 | 3.7 |
| SFF50□-G2M | 52 | 28 | 22 | 4.7 |
| SFF60□-G2M | 62.5 | 31 | 22 | 6 |
| SFF80□-G2M | 83 | 34.5 | 22 | 6 |
| SFF100□-G2M | 102 | 36.5 | 22 | 9.2 |
| SFF125□-G2M | 128 | 43 | 22 | 12.5 |

| Model/Size | D | H | s | Y |
| SFF30□-M10M | 32 | 19.5 | 17 | 2.7 |
| SFF40□-M10M | 42 | 22 | 17 | 3.7 |
| SFF50□-M10M | 52 | 28 | 22 | 4.7 |
| SFF60□-M10M | 62.5 | 31 | 22 | 6 |
| SFF80□-M10M | 83 | 34.5 | 22 | 6 |
| SFF100□-M10M | 102 | 36.5 | 22 | 9.2 |
| SFF125□-M10M | 128 | 43 | 22 | 12.5 |

| Model/Size | D | H | s | Y |
| SFF30□-M14M | 32 | 19.5 | 17 | 2.7 |
| SFF40□-M14M | 42 | 22 | 17 | 3.7 |
| SFF50□-M14M | 52 | 28 | 22 | 4.7 |
| SFF60□-M14M | 62.5 | 31 | 22 | 6 |
| SFF80□-M14M | 83 | 34.5 | 22 | 6 |
| SFF100□-M14M | 102 | 36.5 | 22 | 9.2 |
| SFF125□-M14M | 128 | 43 | 22 | 12.5 |
Note: The dimensional tolerance conforms to GBT3672.1-2002-1 M3 rubber product dimensional tolerance standard
Mounting Accessories | Model | Connection thread | |||||
| G2M | M10M | M14M | G2F | G3F | RA | |
| SFF30□-□ | SFF30□-G2M | SFF30□-M10M | SFF30□-M14M | SFF30□-G2F | SFF30□-G3F | SFF30□-RA |
| SFF40□-□ | SFF40□-G2M | SFF40□-M10M | SFF40□-M14M | SFF40□-G2F | SFF40□-G3F | SFF40□-RA |
| SFF50□-□ | SFF50□-G2M | SFF50□-M10M | SFF50□-M14M | SFF50□-G2F | SFF50□-G3F | SFF50□-RA |
| SFF60□-□ | SFF60□-G2M | SFF60□-M10M | SFF60□-M14M | SFF60□-G2F | SFF60□-G3F | SFF60□-RA |
| SFF80□-□ | SFF80□-G2M | SFF80□-M10M | SFF80□-M14M | SFF80□-G2F | SFF80□-G3F | SFF80□-RA |
| SFF100□-□ | SFF100□-G2M | SFF100□-M10M | SFF100□-M14M | SFF100□-G2F | SFF100□-G3F | SFF100□-RA |
| SFF125□-□ | SFF125□-G2M | SFF125□-M10M | SFF125□-M14M | SFF125□-G2F | SFF125□-G3F | SFF125□-RA |