Features
Features
Ultra-thin sealing lip
Support structure at the bottom
Selection Guide SFA 20 S - M5M
① ② ③ ④
| ① Series | ② Diameter | ③ Material & Hardness | ④ Connection thread |
| SFA | 20 - φ20mm | S - Silicone 40 | Nil - Suction cup only |
| 25 - φ25mm | 40 | M5M - M5×0.8 male thread M5F - M5×0.8 female thread | |
| 35 - φ35mm | G1M - G1/8 male thread M8F - M8×1.25 female thread | ||
| 50 - φ50mm | G2M - G1/4 male thread | ||
| G3M - G3/8 male thread |
Selection
| Model | Connection thread | F - Female thread | MPQ |
| M - Male thread | pcs | ||
| SFA20S | SFA20S-M5M SFA20S-G1M | SFA20S-M5F | 5 |
| SFA25S | SFA25S-M5M SFA25S-G1M | SFA25S-M5F | 5 |
| SFA35S | SFA35S-G2M SFA35S-G3M | SFA35S-M8F | 5 |
| SFA50S | SFA50S-G2M SFA50S-G3M | SFA50S-M8F | 1 |
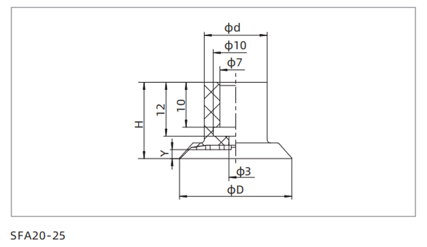
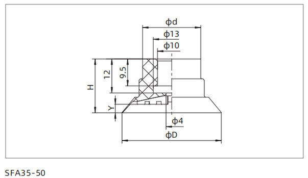
Dimensions Suction cup only

| Model/Size | D | H | d | Y |
| SFA20S | 20 | 17 | 13 | 1.6 |
| SFA25S | 25 | 17 | 14 | 2 |

| Model/Size | D | H | d | Y |
| SFA35S | 35 | 19 | 20.5 | 3 |
| SFA50S | 50 | 22 | 20.5 | 4.5 |
Suction cup with fitting

| Model/Size | D | H | h | G | LG | d |
| SFA20S-M5M | 20 | 17 | 5 | M5×0.8 | 4 | 12 |
| SFA25S-M5M | 25 | 17 | 5 | M5×0.8 | 4 | 12 |

| Model/Size | D | H | S | h | G | LG |
| SFA20S-G1M | 20 | 17 | 14 | 9.5 | G1/8 | 5.5 |
| SFA25S-G1M | 25 | 17 | 14 | 9.5 | G1/8 | 5.5 |
| SFA35S-G2M | 35 | 19 | 21 | 11.5 | G1/4 | 6.5 |
| SFA35S-G3M | 35 | 19 | 21 | 11.5 | G3/8 | 6.5 |
| SFA50S-G2M | 50 | 22 | 21 | 11.5 | G1/4 | 6.5 |
| SFA50S-G3M | 50 | 22 | 21 | 11.5 | G3/8 | 6.5 |

| Model/Size | D | H | h | G | LG | S |
| SFA20S-M5F | 20 | 17 | 4 | M5×0.8 | 5 | 14 |
| SFA25S-M5F | 25 | 17 | 4 | M5×0.8 | 5 | 14 |
| SFA35S-M8F | 35 | 19 | 6 | M8×1.25 | 8 | 21 |
| SFA50S-M8F | 50 | 22 | 6 | M8×1.25 | 8 | 21 |
Note: The dimensional tolerance conforms to GBT3672.1-2002-1 M3 rubber product dimensional tolerance standard
Mounting Accessories Mounting accessory selection
| Item | Model M - Male thread | F - Female thread | Applicable suction cup |
| Fitting for a suction cup | PJS-M5M-SFA20 | PJS-M5F-SFA20 | SFA20,25 |
| PJS-G1M-SFA20 | - | SFA20,25 | |
| PJS-G2M-SFA50 | PJS-M8F-SFA50 | SFA35,50 | |
| PJS-G3M-SFA50 | - | SFA35,50 |