Features
Features
Oval and Flat structure
Conductive material available
Various sizes available
Selection Guide SAO 8×20 N
① ② ③
| ① Series | ② Size | ③ Material & Hardness |
| SAO | 3.5×7 6×20 | N - NBR 55 |
| 4×10 8×20 | WS - White silicone 50 | |
| 5×10 4×30 | CN - Conductive NBR 55 | |
| 6×10 5×30 | CS - Conductive silicone 55 | |
| 4×20 6×30 | ||
| 5×20 8×30 |
Technical parameters
Note: Testing vacuum level -60kPa, a workpiece with a smooth and clean surface. The data of pull-out force as above are figured out without considering safety factors. The data may be different according to different workpiece surfaces. Recommend the length of the vacuum hose to be as short as possible, max 2m.
| Model | Pull-out force N | Inner volume cm³ | Min. curve radius of workpiece mm | Weight g | Recommended hose dia. mm | MPQ pcs |
| SAO3.5×7 | 0.9 | <0.1 | 6 | 0.5 | 4 | 10 |
| SAO4×10 | 1.6 | <0.1 | 7 | 0.4 | 4 | 10 |
| SAO5×10 | 2 | <0.1 | 9 | 0.4 | 4 | 10 |
| SAO6×10 | 2.4 | <0.1 | 13 | 0.5 | 4 | 10 |
| SAO4×20 | 3.2 | <0.1 | 8 | 0.8 | 4 | 10 |
| SAO5×20 | 4.2 | <0.1 | 11 | 0.7 | 4 | 10 |
| SAO6×20 | 5 | <0.1 | 14 | 0.9 | 4 | 10 |
| SAO8×20 | 6.5 | <0.1 | 16 | 0.9 | 4 | 10 |
| SAO4×30 | 5.2 | <0.1 | 8 | 1.3 | 4 | 10 |
| SAO5×30 | 6.5 | <0.1 | 10 | 1.1 | 4 | 10 |
| SAO6×30 | 7.8 | <0.1 | 14 | 1.2 | 4 | 10 |
| SAO8×30 | 10.2 | 0.1 | 18 | 1.3 | 4 | 10 |
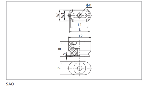
Dimensions 
| Model/Size | W | L | W1 | L1 | D | Y |
| SAO3.5×7□ | 4.5 | 8 | 3.5 | 7 | 2-1.5 | 0.5 |
| SAO4×10□ | 5 | 11 | 4 | 10 | 2-1.5 | 0.5 |
| SAO5×10□ | 6 | 11 | 5 | 10 | 2.5 | 0.5 |
| SAO6×10□ | 7 | 11 | 6 | 10 | 2.5 | 0.5 |

| Model/Size | W | L | W1 | L1 | D | Y |
| SAO4×20□ | 5 | 21 | 4 | 20 | 2-1.8 | 0.5 |
| SAO5×20□ | 6 | 21 | 5 | 20 | 2-2 | 0.5 |
| SAO6×20□ | 7 | 21 | 6 | 20 | 2.5 | 0.5 |
| SAO8×20□ | 9 | 21 | 8 | 20 | 3 | 0.8 |

| Model/Size | W | L | W1 | L1 | D | Y |
| SAO4×30□ | 5 | 31 | 4 | 30 | 2-1.8 | 0.5 |
| SAO5×30□ | 6 | 31 | 5 | 30 | 2-2.5 | 0.5 |
| SAO6×30□ | 7 | 31 | 6 | 30 | 2-2.5 | 0.5 |
| SAO8×30□ | 9 | 31 | 8 | 30 | 2-2.5 | 0.8 |
Note: The dimensional tolerance conforms to the GBT 3672.1-2002-1 M3 rubber product dimensional tolerance standard
Mounting Accessories | Connection thread | |
| M - Male thread | F - Female thread |
| SAO3.5×7□-LA4-M5M SAO3.5×7□-LA6-M5M | SAO3.5×7□-LA4-M5F SAO3.5×7□-LA6-M5F SAO3.5×7□-M5F |
| SAO4×10□-LA4-M5M SAO4×10□-LA6-M5M | SAO4×10□-LA4-M5F SAO4×10□-LA6-M5F SAO4×10□-M5F |
| SAO5×10□-LA4-M5M SAO5×10□-LA6-M5M | SAO5×10□-LA4-M5F SAO5×10□-LA6-M5F SAO5×10□-M5F |
| SAO6×10□-LA4-M5M SAO6×10□-LA6-M5M | SAO6×10□-LA4-M5F SAO6×10□-LA6-M5F SAO6×10□-M5F |
| SAO4×20□-LA4-M5M SAO4×20□-LA6-M5M | SAO4×20□-LA4-M5F SAO4×20□-LA6-M5F SAO4×20□-M5F |
| SAO5×20□-LA4-M5M SAO5×20□-LA6-M5M | SAO5×20□-LA4-M5F SAO5×20□-LA6-M5F SAO5×20□-M5F |
| SAO6×20□-LA4-M5M SAO6×20□-LA6-M5M | SAO6×20□-LA4-M5F SAO6×20□-LA6-M5F SAO6×20□-M5F |
| SAO8×20□-LA4-M5M SAO8×20□-LA6-M5M | SAO8×20□-LA4-M5F SAO8×20□-LA6-M5F SAO8×20□-M5F |
| SAO4×30□-LA4-M5M SAO4×30□-LA6-M5M | SAO4×30□-LA4-M5F SAO4×30□-LA6-M5F SAO4×30□-M5F |
| SAO5×30□-LA4-M5M SAO5×30□-LA6-M5M | SAO5×30□-LA4-M5F SAO5×30□-LA6-M5F SAO5×30□-M5F |
| SAO6×30□-LA4-M5M SAO6×30□-LA6-M5M | SAO6×30□-LA4-M5F SAO6×30□-LA6-M5F SAO6×30□-M5F |
| SAO8×30□-LA4-M5M SAO8×30□-LA6-M5M | SAO8×30□-LA4-M5F SAO8×30□-LA6-M5F SAO8×30□-M5F |