Features
Features
Oilless, wear-resistant bushing is built in the guide sleeve
Built-in buffer spring and external buffer spring
Various buffer stroke specifications are available
Light duty and heavy-duty can be selected
Selection Guide PSPT - I 10 LM5 G1M - M16 - H
① ② ③ ④ ⑤ ⑥ ⑦
| ① Series | ② Buffer type | ③ Buffer stroke | ④ Rotary type | ⑤ Suction cup connection | ⑥ Mounting thread | ⑦ Heavy load |
| PSPT | I - Built-in spring | 10 60 | Nil - Vertical rotating | G1F - G1/8 female thread | M16 - M16×1 | Nil - Standard |
| E - External spring | 20 75 | R - Vertical non-rotating | G2F - G1/4 female thread | M18 - M18×1 | H - Heavy load | |
| 30 90 | LM5 - Lateral rotating | G1M - G1/8 male thread | ||||
| 50 110 | G2M - G1/4 male thread | |||||
| G3M - G3/8 male thread |
Selection
| Model/Connection thread | |||
| G1M | LM5G1M | G1F | G2F |
| PSPT-I10G1M-M16 | PSPT-I10LM5G1M-M16 | PSPT-I10G1F-M16 | PSPT-I10G2F-M18 PSPT-I10G2F-M18-H |
| PSPT-I20G1M-M16 | PSPT-I20LM5G1M-M16 | PSPT-I20G1F-M16 | PSPT-I20G2F-M18 PSPT-I20G2F-M18-H |
| PSPT-I30G1M-M16 | PSPT-I30LM5G1M-M16 | PSPT-I30G1F-M16 | PSPT-I30G2F-M18 PSPT-I30G2F-M18-H |
| PSPT-I50G1M-M16 | PSPT-I50LM5G1M-M16 | PSPT-I50G1F-M16 | PSPT-I50G2F-M18 PSPT-I50G2F-M18-H |
| Model/Connection thread | |||
| G2M | RG2M | RG3M | G3M |
| PSPT-I10G2M-M18 PSPT-E60G2M-M18 PSPT-I10G2M-M18-H | PSPT-I10RG2M-M18 | PSPT-I10RG3M-M18 | PSPT-I10G3M-M18 PSPT-E60G3M-M18 PSPT-I10G3M-M18-H |
| PSPT-I20G2M-M18 PSPT-E75G2M-M18 PSPT-I20G2M-M18-H | PSPT-I20RG2M-M18 | PSPT-I20RG3M-M18 | PSPT-I20G3M-M18 PSPT-E75G3M-M18 PSPT-I20G3M-M18-H |
| PSPT-I30G2M-M18 PSPT-E90G2M-M18 PSPT-I30G2M-M18-H | PSPT-I30RG2M-M18 | PSPT-I30RG3M-M18 | PSPT-I30G3M-M18 PSPT-E90G3M-M18 PSPT-I30G3M-M18-H |
| PSPT-I50G2M-M18 PSPT-E110G2M-M18 PSPT-I50G2M-M18-H | PSPT-I50RG2M-M18 | PSPT-I50RG3M-M18 | PSPT-I50G3M-M18 PSPT-E110G3M-M18 PSPT-I50G3M-M18-H |
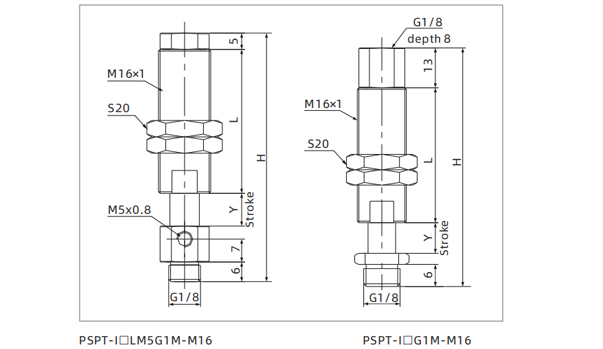
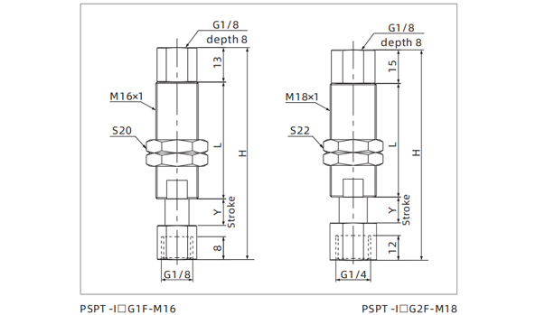
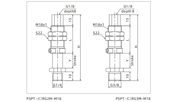
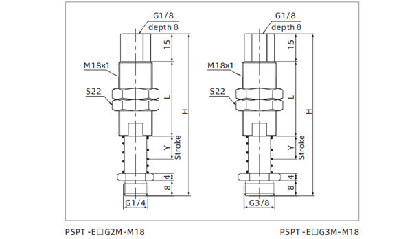
Dimensions 
| Model/Size | H | L | Y | Weight g | F2 N | F2 N |
| PSPT-I10 G1M-M16 | 76 | 44 | 10 | 71 | 2 | 5.5 |
| PSPT-I20 G1M-M16 | 86 | 44 | 20 | 89 | 2 | 5.5 |
| PSPT-I30 G1M-M16 | 96 | 44 | 30 | 102 | 2 | 5.5 |
| PSPT-I50 G1M-M16 | 147 | 75 | 50 | 135 | 2 | 5.5 |
| PSPT-I10G1M-M16 | 76 | 44 | 10 | 80 | 2 | 5.5 |
| PSPT-I20G1M-M16 | 86 | 44 | 20 | 85 | 2 | 5.5 |
| PSPT-I30G1M-M16 | 96 | 44 | 30 | 107 | 2 | 5.5 |
| PSPT-I50G1M-M16 | 147 | 75 | 50 | 132 | 2 | 5.5 |

| Model/Size | H | L | Y | Weight g | F2 N | F2 N |
| PSPT-I10G1F-M16 | 80 | 44 | 10 | 85 | 2 | 5.5 |
| PSPT-I20G1F-M16 | 90 | 44 | 20 | 90 | 2 | 5.5 |
| PSPT-I30G1F-M16 | 100 | 44 | 30 | 108 | 2 | 5.5 |
| PSPT-I50G1F-M16 | 151 | 75 | 50 | 135 | 2 | 5.5 |
| PSPT-I10G2F-M18 | 70.5 | 28 | 10 | 93 | 4 | 7 |
| PSPT-I20G2F-M18 | 90.5 | 38 | 20 | 108 | 4 | 7 |
| PSPT-I30G2F-M18 | 110.5 | 48 | 30 | 121 | 4 | 7 |
| PSPT-I50G2F-M18 | 150.5 | 68 | 50 | 151 | 4 | 7 |
| PSPT-I10G2F-M18-H | 70.5 | 28 | 10 | 93 | 9 | 27 |
| PSPT-I20G2F-M18-H | 90.5 | 38 | 20 | 108 | 9 | 27 |
| PSPT-I30G2F-M18-H | 110.5 | 48 | 30 | 121 | 9 | 27 |
| PSPT-I50G2F-M1 -H | 150.5 | 68 | 50 | 151 | 9 | 27 |

| Model/Size | H | L | Y | Weight g | F2 N | F2 N |
| PSPT-I10G2M-M18 | 65 | 28 | 10 | 103 | 4.0 | 7.0 |
| PSPT-I20G2M-M18 | 85 | 38 | 20 | 117 | 4.0 | 7.0 |
| PSPT-I30G2M-M18 | 105 | 48 | 30 | 135 | 4.0 | 7.0 |
| PSPT-I50G2M-M18 | 145 | 68 | 50 | 169 | 4.0 | 7.0 |
| PSPT-I10G3M-M18 | 65 | 28 | 10 | 105 | 4.0 | 7.0 |
| PSPT-I20G3M-M18 | 85 | 38 | 20 | 123 | 4.0 | 7.0 |
| PSPT-I30G3M-M18 | 105 | 48 | 30 | 142 | 4.0 | 7.0 |
| PSPT-I50G3M-M18 | 145 | 68 | 50 | 177 | 4.0 | 7.0 |

| Model/Size | H | L | Y | Weight g | F2 N | F2 N |
| PSPT-I10RG2M-M18 | 70 | 30 | 10 | 103 | 4.0 | 7.0 |
| PSPT-I20RG2M-M18 | 90 | 40 | 20 | 117 | 4.0 | 7.0 |
| PSPT-I30RG2M-M18 | 110 | 50 | 30 | 135 | 4.0 | 7.0 |
| PSPT-I50RG2M-M18 | 150 | 70 | 50 | 169 | 4.0 | 7.0 |
| PSPT-I10RG3M-M18 | 70 | 30 | 10 | 105 | 4.0 | 7.0 |
| PSPT-I20RG3M-M18 | 90 | 40 | 20 | 123 | 4.0 | 7.0 |
| PSPT-I30RG3M-M18 | 110 | 50 | 30 | 142 | 4.0 | 7.0 |
| PSPT-I50RG3M-M18 | 150 | 70 | 50 | 177 | 4.0 | 7.0 |
Note: "F1" means spring force at 0 strokes "F2" means spring force at max. stroke

| Model/Size | H | L | Y | Weight g | F2 N | F2 N |
| PSPT-I10G2M-M18-H | 65 | 28 | 10 | 103 | 9.0 | 27.0 |
| PSPT-I20G2M-M18-H | 85 | 38 | 20 | 117 | 9.0 | 27.0 |
| PSPT-I30G2M-M18-H | 105 | 48 | 30 | 135 | 9.0 | 27.0 |
| PSPT-I50G2M-M1 -H | 145 | 68 | 50 | 169 | 9.0 | 27.0 |
| PSPT-I10G3M-M18-H | 65 | 28 | 10 | 105 | 9.0 | 27.0 |
| PSPT-I20G3M-M18-H | 85 | 38 | 20 | 123 | 9.0 | 27.0 |
| PSPT-I30G3M-M18-H | 105 | 48 | 30 | 142 | 9.0 | 27.0 |
| PSPT-I50G3M-M1 -H | 145 | 68 | 50 | 177 | 9.0 | 27.0 |

| Model/Size | H | L | Y | Weight g | F2 N | F2 N |
| PSPT-E60G2M-M18 | 150 | 40 | 60 | 171 | 4.5 | 17.0 |
| PSPT-E75G2M-M18 | 170 | 40 | 75 | 185 | 4.5 | 17.0 |
| PSPT-E90G2M-M18 | 185 | 40 | 90 | 196 | 4.5 | 17.0 |
| PSPT-E110G2M-M18 | 205 | 40 | 110 | 216 | 4.5 | 17.0 |
| PSPT-E60G3M-M18 | 150 | 40 | 60 | 176 | 4.5 | 17.0 |
| PSPT-E75G3M-M18 | 170 | 40 | 75 | 192 | 4.5 | 17.0 |
| PSPT-E90G3M-M18 | 185 | 40 | 90 | 205 | 4.5 | 17.0 |
| PSPT-E110G3M-M18 | 205 | 40 | 110 | 221 | 4.5 | 17.0 |
Note: "F1" means spring force at 0 strokes, and "F2" means spring force at max. stroke