Features
Features
Oilless, wear-resistant bushing is built in the guide sleeve
Heavy duty external buffer spring
Non-rotating types can be selected
Various buffer stroke specifications are available
Suitable for heavy-duty working conditions
Selection Guide PSPH - E 25 R G3M - M30
① ② ③ ④ ⑤ ⑥
| ① Series | ② Buffer type | ③ Buffer stroke | ④ Rotary type | ⑤ Suction cup connection | ⑥ Mounting thread |
| PSPH | E - External spring | 25 | Nil - Vertical rotating | G2M - G1/4 male thread | M20 - M20×1.5 |
| 50 | R - Vertical non-rotating | G3M - G3/8 male thread | M30 - M30×1.5 | ||
| 75 | G4M - G1/2 male thread | ||||
| 90 |
Selection
| Model/Connection thread | |||||
| G2M | RG2M | G3M | RG3M | G4M | RG4M |
| PSPH-E25G2M-M20 | PSPH-E25RG2M-M20 | PSPH-E25G3M-M30 | PSPH-E25RG3M-M30 | PSPH-E25G4M-M30 | PSPH-E25RG4M-M30 |
| PSPH-E50G2M-M20 | PSPH-E50RG2M-M20 | PSPH-E50G3M-M30 | PSPH-E50RG3M-M30 | PSPH-E50G4M-M30 | PSPH-E50RG4M-M30 |
| PSPH-E75G2M-M20 | PSPH-E75RG2M-M20 | PSPH-E75G3M-M30 | PSPH-E75RG3M-M30 | PSPH-E75G4M-M30 | PSPH-E75RG4M-M30 |
| PSPH-E90G2M-M20 | PSPH-E90RG2M-M20 | PSPH-E90G3M-M30 | PSPH-E90RG3M-M30 | PSPH-E90G4M-M30 | PSPH-E90RG4M-M30 |
Technical parameters
Note: 1. Pretightening force is spring elastic force when spring is compressed in its natural state
2. Elastic force is spring elastic force when level compensator is compressed in 50% stroke, it is suggested that the actual working compressed stroke of level compensator should not exceed 50% of its max. compressed stroke
3. Vertical load refers to the max. vertical tension that the level compensator can bear in a static state
4. When the level compensator is installed horizontally, the workpiece will produce gravity perpendicular to the direction of the level compensator, If the gravity is larger than the horizontal load range, the spring may get stuck
| Model | Pretightening force(1) N | Elastic force(2) N | Vertical load(3) N | Working temperature ℃ | Weight g |
| PSPH-E25(R)G2M-M20 | 7.5 | 15.8 | 2,400 | 0~80 | 148 |
| PSPH-E50(R)G2M-M20 | 14.4 | 20 | 2,400 | 0~80 | 174 |
| PSPH-E75(R)G2M-M20 | 6 | 16 | 2,400 | 0~80 | 198 |
| PSPH-E90(R)G2M-M20 | 6 | 15.7 | 1,500 | 0~80 | 210 |
| PSPH-E25(R)G3M-M30 | 19.4 | 73 | 4,800 | 0~80 | 408 |
| PSPH-E50(R)G3M-M30 | 24.7 | 78.5 | 4,800 | 0~80 | 483 |
| PSPH-E75(R)G3M-M30 | 39 | 79.6 | 4,800 | 0~80 | 561 |
| PSPH-E90(R)G3M-M30 | 26.4 | 74.5 | 4,800 | 0~80 | 580 |
| PSPH-E25(R)G4M-M30 | 19.4 | 73 | 4,800 | 0~80 | 408 |
| PSPH-E50(R)G4M-M30 | 24.7 | 78.5 | 4,800 | 0~80 | 483 |
| PSPH-E75(R)G4M-M30 | 39 | 79.6 | 4,800 | 0~80 | 561 |
| PSPH-E90(R)G4M-M30 | 26.4 | 74.5 | 4,800 | 0~80 | 580 |
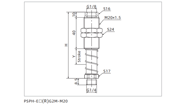
Dimensions 
| Model/Size | H | L |
| PSPH-E25(R)G2M-M20 | 86 | 25 |
| PSPH-E50(R)G2M-M20 | 114.5 | 50 |
| PSPH-E75(R)G2M-M20 | 145 | 75 |
| PSPH-E90(R)G2M-M20 | 160 | 90 |

| Model/Size | H | G | Y |
| PSPH-E25(R)G3M-M30 | 105.5 | G3/8 | 25 |
| PSPH-E50(R)G3M-M30 | 135.5 | G3/8 | 50 |
| PSPH-E75(R)G3M-M30 | 176.5 | G3/8 | 75 |
| PSPH-E90(R)G3M-M30 | 188.5 | G3/8 | 90 |
| PSPH-E25(R)G4M-M30 | 105.5 | G1/2 | 25 |
| PSPH-E50(R)G4M-M30 | 135.5 | G1/2 | 50 |
| PSPH-E75(R)G4M-M30 | 176.5 | G1/2 | 75 |
| PSPH-E90(R)G4M-M30 | 188.5 | G1/2 | 90 |