Features
Features
Copper alloy body, suitable for harsh environment, long lifetime
Work as connecting components in vacuum system
Various types to be selected
Selection Guide PJP - I - A4 - M5M
① ② ③ ④
| ① Series | ② Hose direction | ③ Hose specification | ④ Connection thread |
| PJP | I - Straight | A4 - φ4 hose | M5M - M5×0.8 male thread |
| L - Elbow | A6 - φ6 hose | G1M - G1/8 male thread | |
| LT - Universal male elbow | A8 - φ8 hose | G2M - G1/4 male thread | |
| T - Male branch T | A10 - φ10 hose | G3M - G3/8 male thread | |
| QT - Union T | A12 - φ12 hose | G4M - G1/2 male thread | |
| A14 - φ14 hose |
Selection
| Model/Type | ||||
| Straight | Elbow | Universal male elbow | Male branch T | Union T |
| PJP-I-A4-M5M PJP-I-A8-G3M | PJP-L-A4-M5M PJP-L-A12-G2M | PJP-LT-A4-M5M | PJP-T-A4-M5M | PJP-QT-A4 |
| PJP-I-A4-G1M PJP-I-A10-G3M | PJP-L-A4-G1M PJP-L-A8-G3M | PJP-LT-A6-G1M | PJP-T-A4-G1M | PJP-QT-A6 |
| PJP-I-A6-G1M PJP-I-A12-G3M | PJP-L-A6-G1M PJP-L-A10-G3M | PJP-LT-A8-G2M | PJP-T-A6-G1M | PJP-QT-A8 |
| PJP-I-A8-G1M PJP-I-A14-G3M | PJP-L-A8-G1M PJP-L-A12-G3M | PJP-T-A8-G1M | PJP-QT-A10 | |
| PJP-I-A6-G2M PJP-I-A10-G4M | PJP-L-A4-G2M PJP-L-A10-G4M | PJP-T-A6-G2M | PJP-QT-A12 | |
| PJP-I-A8-G2M PJP-I-A12-G4M | PJP-L-A6-G2M PJP-L-A12-G4M | PJP-T-A8-G2M | PJP-QT-A14 | |
| PJP-I-A10-G2M PJP-I-A14-G4M | PJP-L-A8-G2M | PJP-T-A10-G2M | ||
| PJP-I-A12-G2M | PJP-L-A10-G2M | PJP-T-A12-G2M | ||
Dimensions 
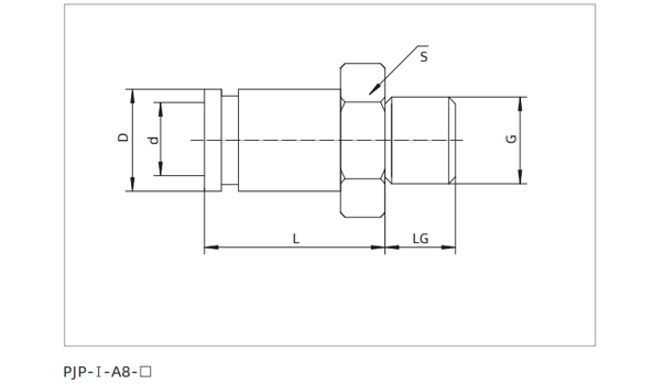
| Model/Size | d | D | L | LG | G | S |
| PJP-I-A4-M5M | 4 | 9 | 16 | 5 | M5×0.8 | 9 |
| PJP-I-A4-G1M | 4 | 9 | 12 | 7 | G1/8 | 10 |
| PJP-I-A6-G1M | 6 | 12 | 17 | 7 | G1/8 | 12 |
| PJP-I-A8-G1M | 8 | 14 | 22 | 7 | G1/8 | 14 |
| PJP-I-A6-G2M | 6 | 12 | 13 | 9 | G1/4 | 14 |
| PJP-I-A8-G2M | 8 | 14 | 20 | 7 | G1/4 | 14 |
| PJP-I-A10-G2M | 10 | 16 | 24 | 9 | G1/4 | 16 |
| PJP-I-A12-G2M | 12 | 18 | 21 | 9 | G1/4 | 19 |
| PJP-I-A8-G3M | 8 | 14 | 13 | 10 | G3/8 | 17 |
| PJP-I-A10-G3M | 10 | 16 | 20 | 10 | G3/8 | 17 |
| PJP-I-A12-G3M | 12 | 18 | 20 | 10 | G3/8 | 19 |
| PJP-I-A14-G3M | 14 | 20 | 20 | 10 | G3/8 | 21 |
| PJP-I-A10-G4M | 10 | 16 | 13 | 12 | G1/2 | 21 |
| PJP-I-A12-G4M | 12 | 18 | 20 | 12 | G1/2 | 21 |
| PJP-I-A14-G4M | 14 | 20 | 20 | 12 | G1/2 | 21 |

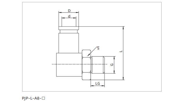
| Model/Size | d | D | L | LG | G | S |
| PJP-L-A4-M5M | 4 | 9 | 24 | 5 | M5×0.8 | 10 |
| PJP-L-A4-G1M | 4 | 9 | 24 | 7 | G1/8 | 10 |
| PJP-L-A6-G1M | 6 | 12 | 28.5 | 7 | G1/8 | 10 |
| PJP-L-A8-G1M | 8 | 14 | 32 | 7 | G1/8 | 12 |
| PJP-L-A4-G2M | 4 | 9 | 26 | 9 | G1/4 | 14 |
| PJP-L-A6-G2M | 6 | 12 | 30.5 | 9 | G1/4 | 14 |
| PJP-L-A8-G2M | 8 | 14 | 33 | 9 | G1/4 | 14 |
| PJP-L-A10-G2M | 10 | 16 | 36 | 9 | G1/4 | 14 |
| PJP-L-A12-G2M | 12 | 18 | 39 | 9 | G1/4 | 16 |
| PJP-L-A8-G3M | 8 | 14 | 34.5 | 10 | G3/8 | 17 |
| PJP-L-A10-G3M | 10 | 16 | 36.5 | 10 | G3/8 | 17 |
| PJP-L-A12-G3M | 12 | 18 | 37.5 | 10 | G3/8 | 17 |
| PJP-L-A10-G4M | 10 | 16 | 39.5 | 12 | G1/2 | 21 |
| PJP-L-A12-G4M | 12 | 18 | 41.5 | 12 | G1/2 | 21 |

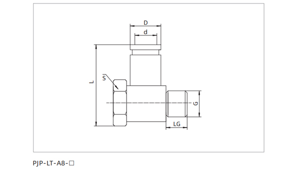
| Model/Size | d | D | L | LG | G | S |
| PJP-LT-A4-M5M | 4 | 9 | 24 | 5 | M5×0.8 | 8 |
| PJP-LT-A6-G1M | 6 | 12 | 31 | 7 | G1/8 | 12 |
| PJP-LT-A8-G2M | 8 | 14 | 34 | 9 | G1/4 | 14 |

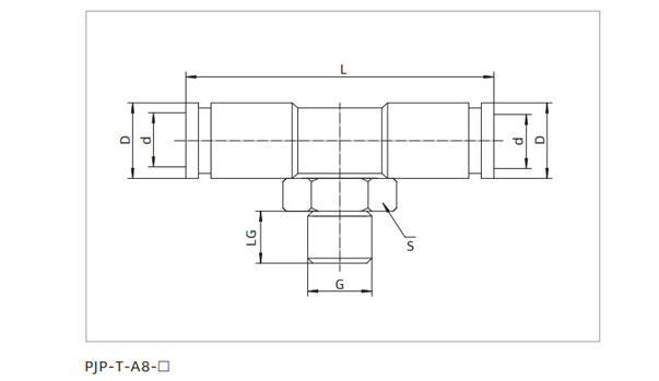
| Model/Size | d | D | L | LG | G | S |
| PJP-T-A4-M5M | 4 | 9 | 37 | 5 | M5×0.8 | 10 |
| PJP-T-A4-G1M | 4 | 9 | 37 | 5 | G1/8 | 10 |
| PJP-T-A6-G1M | 6 | 12 | 48 | 7 | G1/8 | 10 |
| PJP-T-A8-G1M | 8 | 14 | 53 | 7 | G1/8 | 12 |
| PJP-T-A6-G2M | 6 | 12 | 48 | 9 | G1/4 | 14 |
| PJP-T-A8-G2M | 8 | 14 | 53 | 9 | G1/4 | 14 |
| PJP-T-A10-G2M | 10 | 16 | 59 | 9 | G1/4 | 14 |
| PJP-T-A12-G2M | 12 | 18 | 53 | 9 | G1/4 | 17 |

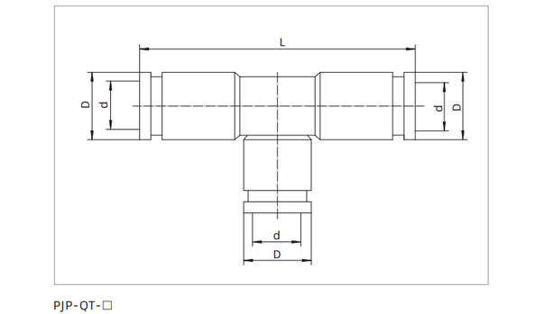
| Model/Size | d | D | L |
| PJP-QT-A4 | 4 | 9 | 38 |
| PJP-QT-A6 | 6 | 12 | 46 |
| PJP-QT-A8 | 8 | 14 | 50 |
| PJP-QT-A10 | 10 | 16 | 60 |
| PJP-QT-A12 | 12 | 18 | 60 |
| PJP-QT-A14 | 14 | 20 | 62 |