AIRBEST (CHANGXING) TECHNOLOGY CO., LTD.
Universal Mounting Parts-Locking Fitting

Universal Mounting Parts-Locking Fitting

PJF Series

Features Features

PJF Series Mounting Parts
PJF Series Mounting Parts
  • Match the connection thread of the suction cup, a variety of connections, and mounting threads are available


  • Small size and simple structure, especially suitable for the electronic industry

Selection Guide Selection Guide

PJF Series Mounting Parts

PJF - LB6 - M4F - M5F

①      ②      ③      ④


① Series② Vacuum port connection③ Mounting thread④ Suction cup connection
PJFA4 - Vertical, one-touch fittingφ4M4F - M4×0.7 female thread      M8M - M8×1 male threadM5F - M5×0.8 female thread
A6 - Vertical, one-touch fittingφ6M5F - M5×0.8 female thread      M10M - M10×1 male threadM8F - M8×1.25 female thread
A8 - Vertical, one-touch fittingφ8M6F - M6×1 female thread         M12M - M12×1 male threadG1F - G1/8 female thread
R1 - Vertical, Rc1/8 inside tapered threadM8F - M8×1.25 female thread    M14M - M14×1 male threadG2F - G1/4 female thread

LB6 - Lateral,

pagoda fittingφ6

M10F - M10×1.5 female thread   M16M - M16×1.5 male threadG3F - G3/8 female thread
LR1 - Lateral, Rc1/8 inside tapered thread


Selection


Model/Vacuum port connection
Lateral pagoda fittingVertical one-touch fittingVertical pagoda fittingVertical female threadLateral female thread
PJF-LB6-M4F-M5FPJF-A4-M12M-M5FPJF-B6-M8M-M5FPJF-R1-M16M-G2FPJF-LR1-M10F-G2F
PJF-LB6-M6F-M5FPJF-A6-M14M-M5FPJF-B6-M10M-M5FPJF-R1-M16M-G3FPJF-LR1-M10F-G3F
PJF-LB6-M6F-M8FPJF-A6-M14M-M8FPJF-B6-M10M-M8F--
PJF-LB6-M8F-G1FPJF-A6-M14M-G1FPJF-B6-M14M-G1F--
-PJF-A8-M16M-G2F---



Dimensions Dimensions

PJF Series Mounting Parts

Dimensions PJF Series Universal Mounting Parts-Locking Fitting


Model/SizeHG1L1G2L2SDLWeight
g
PJF-LB6-M4F-M5F22M46M561052115.5
PJF-LB6-M6F-M5F32M68M561452340
PJF-LB6-M6F-M8F32M68M881452339
PJF-LB6-M8F-G1F32M86.5G1/861452339



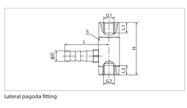
Dimensions PJF Series Universal Mounting Parts-Locking Fitting Vertical One-touch Fitting



Model/SizeHG1L1G2L2S1S2dDWeight
g
PJF-A4-M12M-M5F27.5M12×117.5M5614124422.5
PJF-A6-M14M-M5F30M14×118M5619145630
PJF-A6-M14M-M8F30M14×118M8819145638
PJF-A6-M14M-G1F30M14×118G1/8819145627
PJF-A8-M16M-G2F40M16×1.523G1/41021176863.5



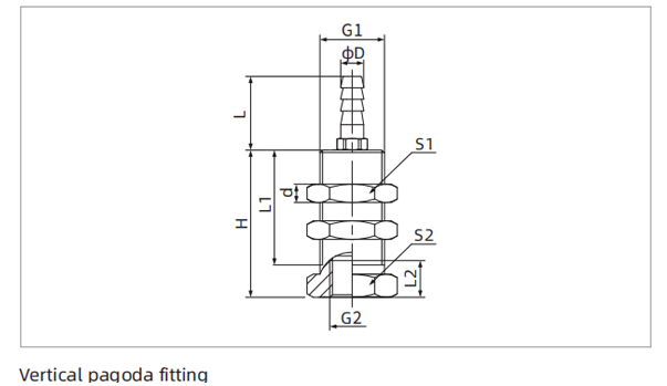
Dimensions PJF Series Universal Mounting Parts-Locking Fitting Vertical Pagoda Fitting



Model/SizeHG1L1G2L2S1S2LdDWeight
g
PJF-B6-M8M-M5F22M8×117M551212163527
PJF-B6-M10M-M5F32M10×122M561414163530
PJF-B6-M10M-M8F32M10×122M881414163528
PJF-B6-M14M-G1F32M14×122G1/881917165533



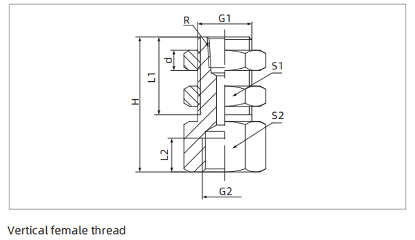
Dimensions PJF Series Universal Mounting Parts-Locking Fitting Vertical Female Thread


Model/SizeHG1L1G2L2S1S2dRWeight
g
PJF-R1-M16M-G2F40M16×1.523G1/41022216Rc1/886.5
PJF-R1-M16M-G3F40M16×1.523G3/81122216Rc1/878


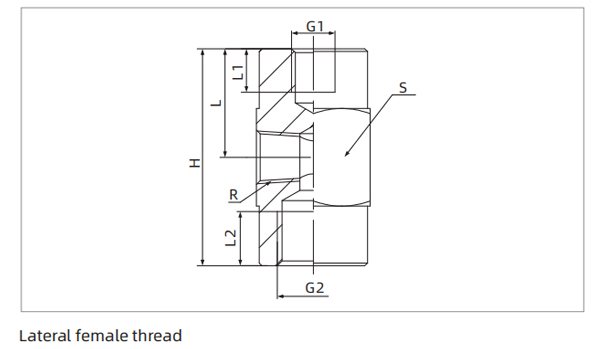
Dimensions PJF Series Universal Mounting Parts-Locking Fitting Lateral Female Thread


Model/SizeHG1L1G2L2SLRWeight
g
PJF-LR1-M10F-G2F40M108G1/4102120Rc1/888.5
PJF-LR1-M10F-G3F40M108G3/8112120Rc1/879

UPDATED AIRBEST GRIPPING SYSTEM PRODUCTS
AIRBEST- VACUUM SOLUTIONS SUPPLIER
2006
SINCE
42
PATENTS
120
EXPERT WORKERS
43
EXPORT COUNTRIES
AIRBEST
We use cookies to offer you a better browsing experience, analyze site traffic and personalize content. By using this site, you agree to our use of cookies. Visit our cookie policy to learn more.
Reject Accept