Features
Features
Flexible connection for deflection in any direction with a maximum deflection angle of 12°
Are The rotating joints vulcanized by high-strength metal and high-performance rubber, which guarantees strength, elasticity, and scalability, and can be automatically reset
Handle Suitable for the large suction cup to the workpiece with an inclined surface
Selection Guide PJE - G2F - G2M
① ② ③
| ① series | ② Vacuum port connection | ③ Suction cup connection |
| PJE | G2M - G1/4 male thread | M10M - M10×1.25 male thread |
| G4M - G1/2 male thread | G2M - G1/4 male thread | |
| G2F - G1/4 female thread | G4M - G1/2 male thread | |
| G4F - G1/2 female thread |
Selection
| Model/Vacuum port connection | |||
| G2M | G2F | G4M | G4F |
| PJE-G2M-G2M | PJE-G2F-M10M PJE-G2F-G2M | PJE-G4M-G4M | PJE-G4F-G4M |
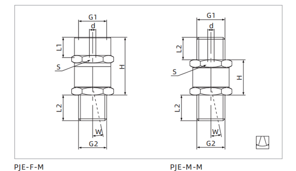
Dimensions 
| Model/Size | H | G1 | L1 | G2 | L2 | d | S | W | Weight g |
| PJE-G2F-M10M | 27 | G1/4 | 12 | M10×1.25 | 8 | 3 | 17 | 12째 | 33.5 |
| PJE-G2F-G2M | 27 | G1/4 | 12 | G1/4 | 12 | 3 | 17 | 12째 | 39 |
| PJE-G2M-G2M | 16.5 | G1/4 | 10.5 | G1/4 | 12 | 3 | 17 | 12째 | 32.5 |
| PJE-G4F-G4M | 33.5 | G1/2 | 14 | G1/2 | 14 | 6 | 27 | 12째 | 105.5 |
| PJE-G4M-G4M | 21 | G1/2 | 14 | G1/2 | 14 | 6 | 27 | 12째 | 94.5 |