AIRBEST (CHANGXING) TECHNOLOGY CO., LTD.
Combined Type Multistage Vacuum Generator

Combined Type Multistage Vacuum Generator

AM/AL/AH Combined Type
  • Quick evacuation in a low vacuum level range, reduce cost and shorten the working cycle

  • It can produce large vacuum flow, and handle all porous workpieces fast and safely

  • Easy installation and easy operation

  • Reduce product noise greatly

PACKAGING(Carton) For Combined Type Multistage Vacuum Generator META SHEET(Thick Metal Plate) For Combined Type Multistage Vacuum Generator WOOD For Combined Type Multistage Vacuum Generator COMPOSITEMATERIAL For Combined Type Multistage Vacuum Generator

Features Features

Combined Type Multistage Vacuum Generator
Combined Type Multistage Vacuum Generator
  • Energy-efficient multistage nozzle design


  • It has a very strong suction capacity


  • With mounting bracket


  • External silencer

Selection Guide Selection Guide

AM/AL/AH COMBINED TYPE VACUUM GENERATOR

AM 200M P - N

  ①    ②    ③   ④



① Series② Specification③ Exhaust type④ Sealing
AM - Universal type(-89kPa)150MNil - StandardN - NBR
AL - Large vacuum flow type(-81kPa)200MP - Lateral exhaustE - EPDM

300M
F - Fluorine rubber

400M


500M



Selection - AM series
Model/Specification150200300400500
AM□M-NAM150M-NAM200M-NAM300M-NAM400M-NAM500M-N
AM□MP-NAM150MP-NAM200MP-NAM300MP-NAM400MP-NAM500MP-N


Selection - AL series
Model/Specification150200300400500
AL□M-NAL150M-NAL200M-NAL300M-NAL400M-NAL500M-N
AL□MP-NAL150MP-NAL200MP-NAL300MP-NAL400MP-NAL500MP-N


Technical parameters


ModelRated air
supply pressure
bar
Max.
vacuum level
-kPa
Max.
vacuum flow
NL/min
Air
consumption
NL/min
Noise
level
dB(A)
Working
temperature
Weight
g
Recommended hose dia.(mm)(Hose outer dia.)Air supply port
(P)
Recommendedhosedia. mm (Wired hose inner dia.)Vacuum port
(V)
AM150M6891,8801,12080-10~803,724φ16φ32
AM200M6892,2001,46081-10~803,892φ16φ32
AM300M6893,1502,20081-10~805,525φ16φ45
AM400M6893,7102,79081-10~806,447φ16φ45
AM500M6894,5703,52082-10~807,929φ16φ60
AL150M6811,66065080-10~803,724φ16φ32
AL200M6811,95083081-10~803,892φ16φ32
AL300M6812,8401,24081-10~805,525φ21φ45
AL400M6813,3401,65081-10~806,447φ21φ45
AL500M6813,9702,10082-10~807,929φ16φ60


Specific Specific

Combined Type Multistage Vacuum Generator
  • Vacuum flow(NL/min) at different vacuum levels(-kPa)


ModelAir supply pressure
bar
Air
consumption
NL/min
01020304050607080Max.
vacuum level
-kPa
AL150M66501,660870720450240160115703281
AL200M68301,9501,1408705203052301601053881
AL300M61,2402,8401,6601,3308105803602651554581
AL400M61,6503,3402,2001,7301,1106305903702258081
AL500M62,1003,9702,7101,9901,3207906603602709281


  • Evacuation time(s/L) to reach different vacuum levels(-kPa)


ModelAir supply
pressure
bar
Air
consumption
NL/min
1020304050607080Max.
vacuum level
-kPa
AL150M6.06500.0070.0190.0280.0510.1050.1980.2100.37081
AL200M6.08300.0050.0130.0230.0400.0600.0980.1500.30081
AL300M6.01,2400.0040.0110.0180.0300.0400.0700.1000.20081
AL400M6.01,6500.0030.0080.0100.1500.0300.0600.0800.15081
AL500M6.02,1000.0020.0050.0080.0100.0220.0400.0600.10081


Specifics Of Combined Type Multistage Vacuum Generator


  • Vacuum flow(NL/min) at different vacuum levels(-kPa)


ModelAir supply
pressure
bar
Air
consumption
NL/min
01020304050607080Max.
vacuum level
-kPa
AM150M6.01,1201,8801,210730640490340200752589
AM200M6.01,4602,2001,490930800650490245851189
AM300M6.02,2903,1502,1001,4101,1809306603651057589
AM400M6.02,7903,7102,4801,8001,4501,1008703701958089
AM500M6.03,2504,5703,2402,3301,8001,4701,14070020511589


  • Evacuation time(s/L) to reach different vacuum levels(-kPa)


ModelAir supply
pressure
bar
Air
consumption
NL/min
1020304050607080Max.
vacuum level
-kPa
AM150M6.01,1200.0070.0170.0260.0400.0600.0800.1200.60089
AM200M6.01,4600.0050.0120.0220.0300.0400.0600.1100.33089
AM300M6.02,2900.0040.0100.0130.0230.0300.0400.0800.19089
AM400M6.02,7900.0030.0080.0120.0200.0250.0300.0600.15089
AM500M6.03,2500.0020.0050.0080.0150.0200.0270.0500.12089

Specifics Of Combined Type Multistage Vacuum Generator AM


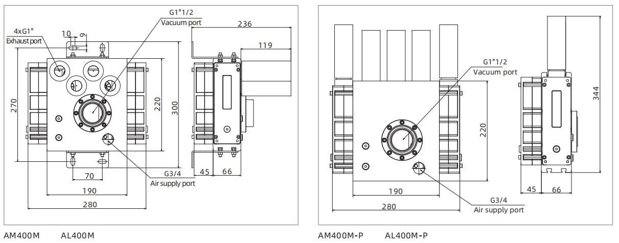
Dimensions Dimensions

Combined Type Multistage Vacuum Generator

AM Series Multistage Vacuum Generator Dimensions

AM Series Multistage Vacuum Generator Dimensions

AM Series Multistage Vacuum Generator Dimensions

AM Series Multistage Vacuum Generator Dimensions


UPDATED AIRBEST GRIPPING SYSTEM PRODUCTS
AIRBEST- VACUUM SOLUTIONS SUPPLIER
2006
SINCE
42
PATENTS
120
EXPERT WORKERS
43
EXPORT COUNTRIES
AIRBEST
We use cookies to offer you a better browsing experience, analyze site traffic and personalize content. By using this site, you agree to our use of cookies. Visit our cookie policy to learn more.
Reject Accept