AIRBEST (CHANGXING) TECHNOLOGY CO., LTD.
Mechanical Energy-saving Vacuum Generator

Mechanical Energy-saving Vacuum Generator

AGE Series
  • Energy-saving function is realized by the generator itself, electric control is not required

  • Strong anti-pollution ability

  • Energy-saving function, it can help customers to minimize the cost

  • Two-stage generator, the vacuum level can reach -92kPa quickly

GLASS For Mechanical Energy-saving Vacuum Generator META SHEET(Thick Metal Plate) For Mechanical Energy-saving Vacuum Generator

Features Features

MECHANICAL ENERGY-SAVING VACUUM GENERATOR
MECHANICAL ENERGY-SAVING VACUUM GENERATOR
  • Mechanical energy saving mode. As a perfect choice for vacuum generator for air compressor, the generator itself automatically saves energy after the vacuum level reaches the set value, and then the air supply stops


  • Optional energy saving function can save up to 99% of the air consumption


  • Can adapt to a variety of working conditions, can work in dust and water environment


  • Internal blow valve allows rapid release of the workpiece and maintains vacuum in sealed applications in the event of system or power failure


  • An internal filter is equipped to protect the device from dust and particles

Selection Guide Selection Guide

AGE SERIES BASIC VACUUM GENERATOR

AGE - ES

   ①    


① Series② Control device
AGENil- Default, without control device
ES- Energy-saving system



Technical parameters


ModelRated air supply pressure
bar
Max. vacuum level
-kPa
Max. vacuum flow
NL/min
Noise level
dB(A)
Weight
g
AGE5924168.5177
AGE-ES5924168.5258


Specific Specific

MECHANICAL ENERGY-SAVING VACUUM GENERATOR
  • Vacuum flow(NL/min) at different vacuum levels(-kPa)


ModelAir supply pressure barAir consumption NL/min0102030405060708090Max. vacuum level -kPa
AGE5.02942.131.323.815.810.48.46.03.61.3092


  • Evacuation time(s/L) to reach different vacuum levels(-kPa)  


ModelAir supply pressure barAir consumption NL/min102030405060708090Max. vacuum level -kPa
AGE5.0290.140.280.470.7910.42.594.096.6822.3292


Specific Of Mechanical Energy-Saving Vacuum Generator



Dimensions Dimensions

MECHANICAL ENERGY-SAVING VACUUM GENERATOR
MECHANICAL ENERGY-SAVING VACUUM GENERATOR

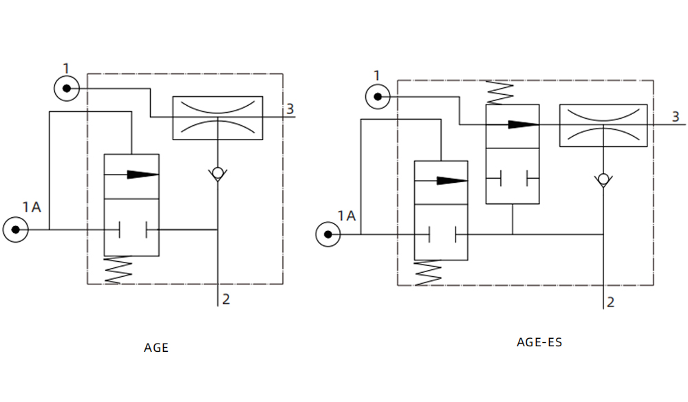
Air Circuit Schematic Diagram Air Circuit Schematic Diagram

MECHANICAL ENERGY-SAVING VACUUM GENERATOR

vacuum generator age series mounting accessories

UPDATED AIRBEST GRIPPING SYSTEM PRODUCTS
AIRBEST- VACUUM SOLUTIONS SUPPLIER
2006
SINCE
42
PATENTS
120
EXPERT WORKERS
43
EXPORT COUNTRIES
AIRBEST
We use cookies to offer you a better browsing experience, analyze site traffic and personalize content. By using this site, you agree to our use of cookies. Visit our cookie policy to learn more.
Reject Accept