Features
Features
Straight-through design, extremely large vacuum flow
Different diameters are available
Selection Guide ACPS 10
① ②
| ① Series | ② Nozzle diameter |
| ACPF | 10 - φ10mm |
| 20 - φ20mm | |
| 40 - φ40mm | |
| 75 - φ75mm |
Selection
| Model/Nozzle diameter | 10 | 20 | 40 | 75 |
| ACPS□ | ACPS10 | ACPS20 | ACPS40 | ACPS75 |
Technical parameters
| Model | Nozzle diameter mm | Rated air supply pressure bar | Max. vacuum level -kPa | Max. vacuum flow NL/min | Air consumption NL/min | Working temperature ℃ | Weight g |
| ACPS10 | 10 | 5 | 12 | 550 | 140 | -20~80 | 77 |
| ACPS20 | 20 | 5 | 4 | 1,375 | 265 | -20~80 | 189 |
| ACPS40 | 40 | 5 | 2 | 2,250 | 470 | -20~80 | 522 |
| ACPS75 | 75 | 5 | 1 | 8,640 | 876 | -20~80 | 2,308 |
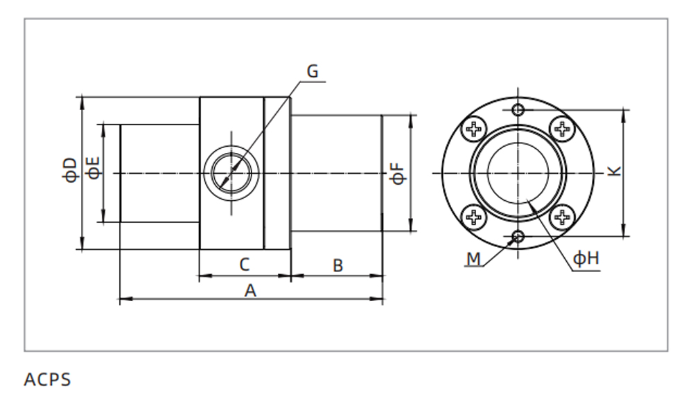
Dimensions 
| Model/Size | A | B | C | D | E | F | G | H | K | M |
| ACPS10 | 70 | 23 | 21 | 37 | 19 | 19 | G1/8 | 10 | 29 | 2-M4×0.7 |
| ACPS20 | 86 | 30 | 30 | 50 | 32 | 38 | G1/4 | 20 | 41.5 | 2-M4×0.7 |
| ACPS40 | 94 | 30 | 34 | 84 | 52 | 75 | G3/8 | 40 | 72 | 2-M4×0.7 |
| ACPS75 | 180 | 34 | 65 | 140 | 100 | 125 | G1/2 | 75 | 126 | 2-M6×1 |