Features
Features
Straight-through design, extremely large vacuum flow
Vacuum flow is adjustable according to the working condition
Different diameters are available
Selection Guide ACP 250 S
① ② ③
| ① Series | ② Specification | ③ Material |
| ACP | 250 | Nil - Aluminum alloy |
| 375 | S - Stainless steel | |
| 500 | ||
| 750 |
Selection
| Model/Material Nil-Aluminum alloy | S - Stainless steel |
| ACP250 | ACP250S |
| ACP375 | ACP375S |
| ACP500 | ACP500S |
| ACP750 | ACP750S |
Technical parameters
Air consumption(NL/min) at different vacuum levels(-kPa)
| Model | Nozzle diameter mm | Air supply pressure bar | 17 | 34 | 50 | 68 | 84 | Working temperature ℃ | Weight (g) Aluminum alloy | Weight (g)Stainless steel |
| ACP250 | 6.5 | 5.5 | 112 | 169 | 233 | 276 | 342 | -20~80 | 100 | 296 |
| ACP375 | 9.5 | 5.5 | 176 | 327 | 485 | 595 | 825 | -20~80 | 286 | 846 |
| ACP500 | 13 | 5.5 | 340 | 625 | 795 | 940 | 1,280 | -20~80 | 401 | 1,189 |
| ACP750 | 19 | 5.5 | 650 | 875 | 1,250 | 1,790 | 2,550 | -20~80 | 540 | 1,599 |
Specific | Model | Air supply pressure bar | 17 | 34 | 50 | 68 | 84 |
| ACP250 | 5.5 | 280 | 240 | 200 | 162 | 125 |
| ACP375 | 5.5 | 846 | 735 | 620 | 520 | 395 |
| ACP500 | 5.5 | 1,695 | 1,325 | 1,130 | 990 | 650 |
| ACP750 | 5.5 | 3,390 | 2,460 | 1,970 | 1,440 | 1,130 |
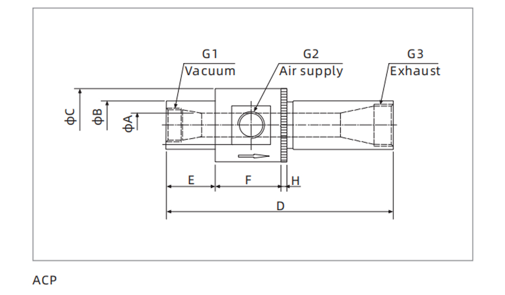
Dimensions 
| Model/Size | A | B | C | D | E | F | H | G1 | G2 | G3 |
| ACP250 | 6.5 | 19 | 32 | 94~105 | 22 | 32 | 5 | G1/4 | G1/8 | G1/4 |
| ACP375 | 9.5 | 25 | 45 | 155~165 | 38 | 45 | 5 | G3/8 | G3/8 | G1/2 |
| ACP500 | 13 | 32 | 51 | 155~160 | 38 | 51 | 5 | G1/2 | G3/8 | G3/4 |
| ACP750 | 19 | 38 | 58 | 175~189 | 38 | 51 | 5 | G3/4 | G1/2 | G1" |